Unit of Measure

Technical Specifications

Type

N/A Insert Bearing

Bore Type

N/A Round

Bearing Type

N/A Ball Bearing

Material

N/A Through Hardened Steel

Ball Material

N/A Steel

Limiting Speed - Grease

N/A 3500 rpm

Seal Type

N/A Contact

Seal Material

N/A Nitrile Rubber

Performance

N/A Standard Duty

Configuration

N/A One

Locking Device

N/A Eccentric Locking Collar

Locking Device Part Number

N/A EL209-110

Lubrication

N/A Outer Ring

Collar Number

N/A C-110#BCA

Basic Outer Ring

N/A 209

Radial Internal Clearance

N/A CN

Static Load Rating

N/A 4586 lbf20400 N20.40 kN

Dynamic Load Rating

N/A 7306 lbf32500 N32.50 kN

Enclosure

N/A Double Sealed

Weight

N/A 2.196 lb4.84 kg

Operating Temperature Range

N/A -40 to 250 ºF-40 to 120 ºC

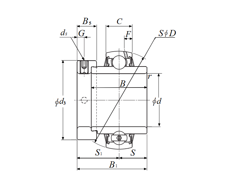
Dimensional Specifications


Ultra Class Bearing Insert w/ Eccentric Locking Collar, Wide Inner Ring - Spherical O.D. - Dimensions

d

N/A 1-5/8 in41.275 mm

D

N/A 3.346 in85.000 mm

C

N/A 0.866 in22.000 mm

B

N/A 1.685 in42.8 mm

B1

N/A 2.2165 in56.3 mm

r

N/A 0.05910 in1.500 mm

ds

N/A 3/8-24 UNF

G

N/A 0.268 in6.807 mm

d3

N/A 2.50000 in63.500 mm

B5

N/A 0.72050 in18.300 mm

S1

N/A 1.374 in34.9 mm

S

N/A 0.8425 in21.4 mm

F

N/A 0.1929 in4.9 mm

Specifications

Radial Dynamic Load Rating

N/A 7306 lbf32500 N

Lubrication

N/A Outer Ring

Radial Static Load Rating

N/A 4586 lbf20400 N