Unit of Measure

Technical Specifications

Type

N/A Deep Groove Ball Bearing

Bore Type

N/A Round

Material

N/A High Carbon Chrome Steel

Cage Type

N/A Pressed

Cage Material

N/A Steel

Ball Material

N/A Steel

Limiting Speed - Grease

N/A 5700 rpm

Precision

N/A ISO Class 0

Configuration

N/A One

Radial Internal Clearance

N/A CN

Static Load Rating

N/A 11805 lbf52510 N52.51 kN

Dynamic Load Rating

N/A 17207 lbf76540 N76.54 kN

Enclosure

N/A Double Shielded

Weight

N/A 2.562 lb1.162 kg

Operating Temperature Range

N/A -40 to 250 ºF-40 to 120 ºC

Dimensional Specifications


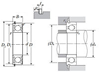
Single Row Radial Ball Bearing - Double Shielded w/ Snap Ring, Series BL3 - Dimensions

d

N/A 1.9685 in50.000 mm

D

N/A 4.33070 in110.000 mm

B

N/A 1.06300 in27.000 mm

D1

N/A 4.2051 in106.810 mm

D2

N/A 4.5906 in116.600 mm

a

N/A 0.1291 in3.280 mm

f

N/A 0.0969 in2.460 mm

r

N/A 0.07870 in2.000 mm

r1

N/A 0.0197 in0.500 mm

da min

N/A 2.3228 in59 mm

da max

N/A 2.6969 in68.500 mm

Da max

N/A 2.6969 in68.500 mm

ras max

N/A 0.0787 in2.000 mm