Unit of Measure

Technical Specifications

Type

N/A Deep Groove Ball Bearing

Bore Type

N/A Round

Material

N/A High Carbon Chrome Steel

Cage Type

N/A Pressed

Cage Material

N/A Steel

Ball Material

N/A Steel

Limiting Speed - Oil

N/A 4700 rpm

Limiting Speed - Grease

N/A 4000 rpm

Style

N/A Maximum Capacity

Precision

N/A ISO Class 0

Configuration

N/A One

Radial Internal Clearance

N/A C3

Static Load Rating

N/A 25700 lbf114365 N114.37 kN

Dynamic Load Rating

N/A 29500 lbf131275 N131.28 kN

Enclosure

N/A Open

Weight

N/A 5.430 lb2.463 kg

Operating Temperature Range

N/A -40 to 250 ºF-40 to 120 ºC

Dimensional Specifications


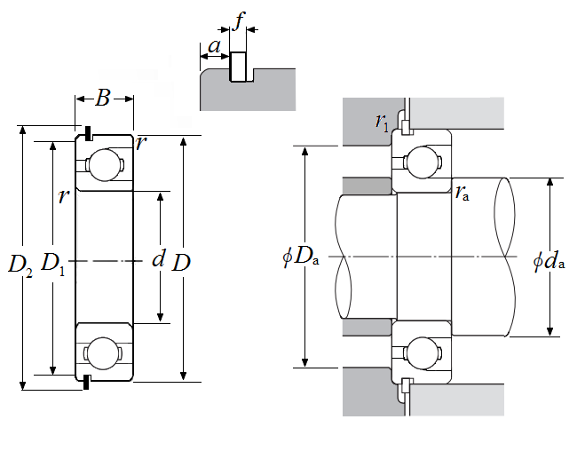
Single Row Radial Ball Bearing - Open Type w/ Snap Ring, Series BL - Dimensions

d

N/A 3.5433 in90.000 mm

D

N/A 6.29920 in160.000 mm

B

N/A 1.1811 in30 mm

D1

N/A 6.1110 in155.220 mm

D2

N/A 6.6811 in169.700 mm

a

N/A 0.1929 in4.900 mm

f

N/A 0.111 in2.82 mm

r

N/A 0.07870 in2.000 mm

r1

N/A 0.0197 in0.500 mm

da min

N/A 3.8976 in99 mm

da max

N/A 4.2913 in109.000 mm

Da max

N/A 4.2913 in109.000 mm

ras max

N/A 0.0787 in2.000 mm