Unit of Measure

Technical Specifications

Type

N/A Miniature / Extra Small Ball Bearing

Bore Type

N/A Round

Outside Ring Type

N/A Flanged

Material

N/A High Carbon Chrome Steel

Cage Type

N/A Stainless (Crown Type)

Cage Material

N/A Steel

Limiting Speed - Oil

N/A 70000 rpm

Limiting Speed - Grease

N/A 59000 rpm

Configuration

N/A One

Factor

N/A 13.8

Static Load Rating

N/A 22 lbf96 N

Dynamic Load Rating

N/A 64 lbf284 N

Enclosure

N/A Removable Double Shield

Operating Temperature Range

N/A -40 to 250 ºF-40 to 120 ºC

Dimensional Specifications


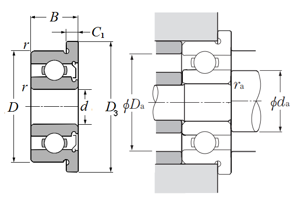
Single Row Radial Ball Bearing w/ Flanged Outer Ring - Removable Single Shield - Dimensions

d

N/A 0.0984 in2.5 mm

D

N/A 0.2756 in7.000 mm

B

N/A 0.1181 in3 mm

D3

N/A 0.3228 in8.200 mm

C1

N/A 0.0236 in0.600 mm

r

N/A 0.0059 in0.150 mm

da min

N/A 0.1457 in3.700 mm

da max

N/A 0.1575 in4.000 mm

Da max

N/A 0.2283 in5.800 mm

ras max

N/A 0.0059 in0.150 mm